

























一、產品概述
板式換熱器廣泛應用于供熱、洗浴、空調、冶金、液壓、化工、制藥、食品等領域。
板式換熱器是目前各類換熱器中換熱效率高的一種換熱器,它占用空間小,安裝拆卸方便。
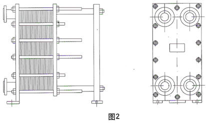
板式換熱器的結構分解如圖1,產品外型如圖2,主要部件是由換熱板片、密封膠墊、夾緊板、導桿、夾緊螺栓組成。換熱板片是由不銹鋼板壓制成型,它上面開有4個流道孔,中部壓成人字形波紋,四周壓有密封槽。密封槽內粘有密封膠墊。換熱板片通過兩導桿定位對齊,兩夾緊板通過夾緊螺栓將各板片壓緊,從而形成換熱器內腔換熱流道。相鄰換熱板片的人字形波紋方向安裝時相反,接觸點彼此相互支撐。人字形波紋和這些支撐點使流體介質在其內部流動時充分形成湍流,這是板式換熱器具有很高換熱效率的主要原因。另外換熱板片厚度較薄,導熱熱阻較小,板片兩側的流體介質流動分布較為均衡,也使得傳熱較為充分。


板式換熱器根據介質的溫差和流量,可以裝配成單流程、雙流程、三流程以及多流程的形式。單流程是指介質在換熱器內流過一個流程,雙流程是指介質在換熱器內折返流過兩個過程,依次類推,各種流程的外形圖和其流程示意圖如圖3。當采用多流程時,換熱器的四個接口就不能在同一側的夾緊板上,進出口要位于前后兩個夾緊板上。




一般類似于水粘度較低的介質在換熱流道內的平均流速為0.4m/s較為適合,流速過大,則阻力也大;流速過小,流道內流體流動不易形成湍流,易形成死區,換熱效果不好。因此應根據介質流量的大小來選擇流程數,使換熱流道內的流速接近0.4m/s。 以獲得換熱效果。對于類似于液壓油粘度較高的介質,流速應減小,0.3m/s較為合適。當流量較小時,可增加流程數來提高流速。例如當所確定的換熱面積在表中所對應的流量比使用的流量大一倍時,采用雙流程組裝形式,換熱流道內的流速就可增加一倍達到合適的流速。兩個流道根據流量的不同可采用不相等的流程數。流程數增加,阻力也會相應增加。對于用蒸汽加熱的換熱器,蒸汽一側一般應裝成單流程的形式,以利于蒸汽的充分進入和冷凝水的順利排出。
二.板式換熱器的類型
目前我公司生產的板式換熱器主要有BR型、BRB型(BRB型可簡稱為BB型)和BRV型。
BR型的特點是,換熱板片和密封膠墊都是相同的,板片上四個流道孔的大小相同,同種介質在一側的兩個流道孔進出,如圖4,不能形成對角流動的形式,裝配時相鄰換熱板片調轉180°,使人字型方向相反。裝配后兩流道的橫截流通面積相同。
BRB型的特點是,采用兩種不同的換熱板片和膠墊(俗稱A板A墊和B板B墊)。板片對角方位上是兩個大流道孔,另外對角方位是兩個小流道孔,同種介質在對角流道孔進出,不能在同側流道孔進出,如圖5。兩種板片的波紋截面形狀也不同,裝配時兩種板片交替疊放,裝配后,由于兩種板片波紋截面弧狀彼此相反,對應大流道孔的板片波紋內腔形成大的流道截面;而對應小流道孔的板片波紋內腔形成小的流道截面,這就是BRB型不等流道截面的由來,兩截面面積的比例大致為2:1. 當兩種介質的流量不同且大致為2:1且不易裝配成雙流程時,可選擇該類型的換熱器。它適用于小區集中供熱,一般一次網的熱水流量較小,二次網用戶取暖供水的流量較大的場合。
當兩種介質的流量不同且大致為2:1且不易裝配成雙流程時,可選擇該類型的換熱器。它適用于小區集中供熱,一般一次網的熱水流量較小,二次網用戶取暖供水的流量較大的場合。

BRM系列板型是我公司近兩年根據市場要求開發的板型,板片的進口分流區設計有流線引導槽,具有拉近不同流道上的流動阻力差的作用,使得流體在板片換熱區域均勻分布,從而避免了流量分配不均勻和流動死角所帶來的換熱效率下降,點蝕和結垢等弊端。對于寬度較大的板片,海增加了順等勢線均壓槽,從而形成了流線引導槽和顧等勢線均勻槽交叉,形成阻力很小的巧克力塊導流區,具有進口分流區。在同類型板型中阻力小。
BRM系列中每種板型板片角度又有大小角度兩種,可以進行以下三種不同組合,可實現熱混合設計,保證高傳系數的同時又具有較小的流體阻力。
四角機械互鎖結構,裝配過程自動定位,節約時間。并具能提高換熱器的整體強度。
角孔直徑DN150以上的板式換熱器采用五點金屬定位系統,上導桿三點,可以防止板片上下移動,下導桿的兩點既可以限制板片左右移動,又保證拆裝后完全復位。加上四角定位結構保證墊片密封準確,延長板片使用壽命,五點定位克服了圓橫梁定位不能補償板片熱脹冷縮并行的缺點,改善了工況范圍.
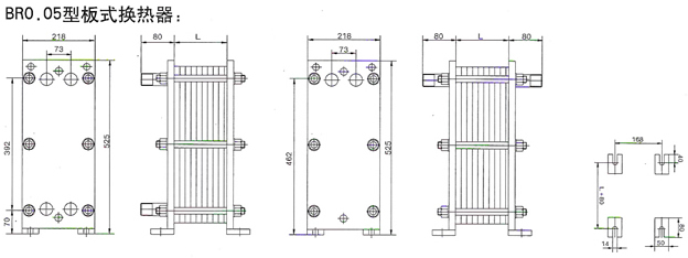
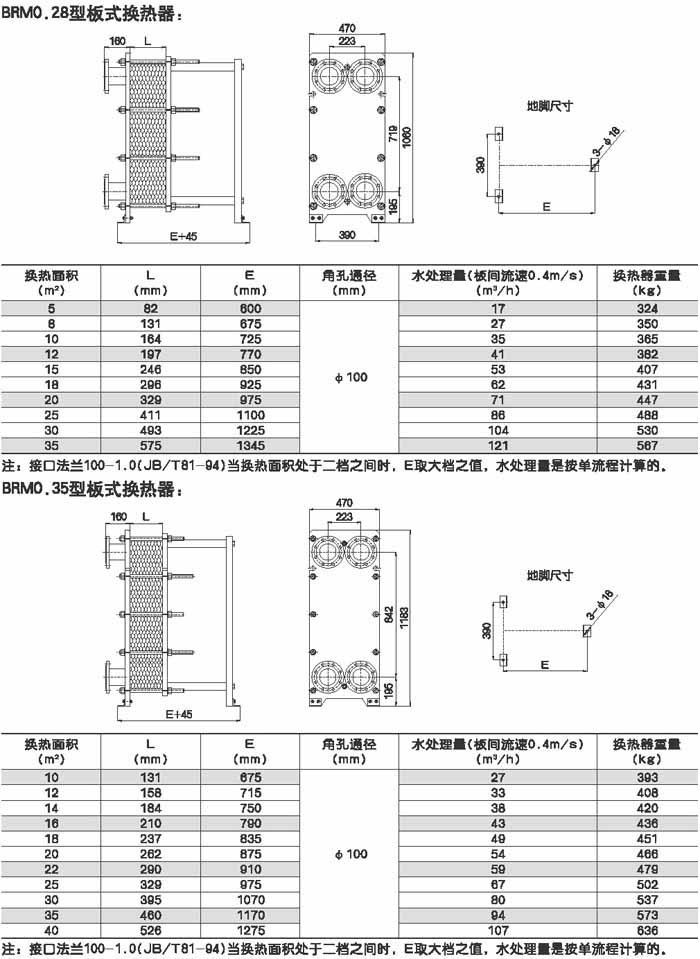
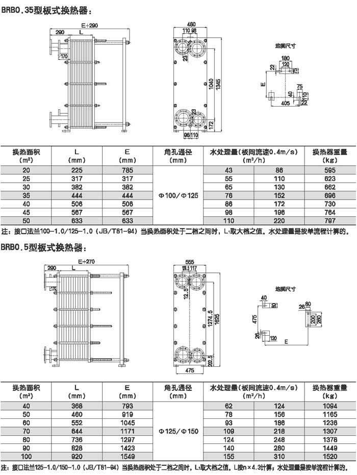
BRMO.0是指單片換熱板片的有效換熱面積為0.g平方米,其它型號的意義相同。選擇某種型號采用不同數量的換熱板片就可組裝成所需換熱面積的換熱器。
板式換熱器在裝配形式上又可分為不懸掛式(圖6)和懸掛式(圖7),不懸掛式換熱器不帶支柱,地腳板直接焊在二個夾緊板的下端,它適于重量較小的小型號的換熱器,以便在拆裝時能搬動。懸掛式換熱器帶有支柱,它拆裝時可在原位不動,活動夾緊板和換熱板片懸掛在上導桿上,可以移動,換熱板片可以拆下和裝上,較大型號的換熱器一般采用懸掛式的,以便于拆裝維修。


換熱板片的材質一般為SUS304(0Cr19Ni9),特定可為SUS316L(00Cr17Ni14Mo2),SUS316L耐腐蝕性能比SUS304好.這類不銹鋼材料一般不耐用含氯離子較高的介質。
密封膠墊的材質分為丁腈橡膠和乙丙橡膠兩種,丁腈膠墊耐熱溫度的上限為110℃,耐油和水;乙丙膠 墊耐熱溫度的上限人150℃,耐蒸汽和水。
換熱器的其它金屬材料的材質一般為碳鋼。
板式換熱器的設計壓力一般為1.0MPa。
三、板式換熱器型號的表示方法
我公司生產的板式換熱器按照 GB16409-1996 《板式換熱器》進行設計、制造和檢驗,代號也按其標準規定來表示。
















